tommy80 Zgłoś Napisano 5 Czerwca 2016 (edytowane) peterbpl, widzę, że "pracujesz" na moim autorskim projekcie sumpa Nie wiem dlaczego pozmieniałeś wymiary przegród? Ja swojego już bym chyba nie zmienił, chociaż jeszcze nie jest zalany. Wszystkie graty wstawione i jest ok. Edytowane 5 Czerwca 2016 przez tommy80 (wyświetl historię edycji) Cytuj START - 30.06.2016r. zbiornik: 80x60x50h (240l) + sump 70x40x45h (126l) w tym dolewka (30l), LR (11,75kg) + DR (1,20kg) + LS (9,07kg) + LW (230l), sól: Red Sea Salt, światło: ATI Sunpower 8x24W, filtracja: Twistman OB-150-IN + siporax (2l) + Sorbotech carbon LG95, suplementacja: Balling + niezbędne pierwiastki, obieg: Jebao DCT-6000, cyrkulacja: Tunze 6055 ze sterownikiem Tunze 7091 + Tunze 6015, dolewka: Tunze Osmolator Universal 3155.000, obsada: korale miękkie, LPS, SPS, ryby, ślimaki, rozgwiazdy, wężowidło, krewetki Udostępnij tę odpowiedź Odnośnik do odpowiedzi Udostępnij na innych stronach
obione81 Zgłoś Napisano 15 Czerwca 2016 Panowie dwa pytania: 1. czy taki sump 80x35x40 wystarczy do akwarium 150x50x60. Obsada na początek miękkie + kilka LPS 2. czy Aquamedic Turbo Flotor 1000 Blue wystarczy do tego zestawu? Cytuj "LUDZIE TO NIE WIEDZĄ JAKIE SIŁY DRZEMIĄ W NATURZE" Udostępnij tę odpowiedź Odnośnik do odpowiedzi Udostępnij na innych stronach
marb Zgłoś Napisano 27 Czerwca 2016 Sporo ludzi na forum sugeruje żeby deklarowaną przez producenta odpieniacza wielkość akwarium podzielić przez 2, i coś w tym jest. Cytuj Moje akwa Udostępnij tę odpowiedź Odnośnik do odpowiedzi Udostępnij na innych stronach
Roman.P Zgłoś Napisano 28 Czerwca 2016 Ad 1. wystarczy. Ad 2. wystarczy Cytuj Pozdrawiam. Roman (Dawniej BAU) 150x50x50, sump 120 l,+zbiornik techniczny 80 l, oświetlenie-ledy Cree 108W + 2x 54W t5, Aqua Nova 6500, 1xJVP 102+jebao 40,odpieniacz stożek made in sebastek i cała reszta zalane 10.02.2011. Obecnie prawie fisch only Nigdy się nie tłumacz, przyjaciel tego nie potrzebuje a wróg nie zrozumie Udostępnij tę odpowiedź Odnośnik do odpowiedzi Udostępnij na innych stronach
hernio Zgłoś Napisano 28 Czerwca 2016 Panowie dwa pytania: 1. czy taki sump 80x35x40 wystarczy do akwarium 150x50x60. Obsada na początek miękkie + kilka LPS 2. czy Aquamedic Turbo Flotor 1000 Blue wystarczy do tego zestawu? Odpieniacz nie wyrobi. Cytuj Udostępnij tę odpowiedź Odnośnik do odpowiedzi Udostępnij na innych stronach
Roman.P Zgłoś Napisano 28 Czerwca 2016 Panowie dwa pytania: 1. czy taki sump 80x35x40 wystarczy do akwarium 150x50x60. Obsada na początek miękkie + kilka LPS 2. czy Aquamedic Turbo Flotor 1000 Blue wystarczy do tego zestawu? Na początek wystarczy Cytuj Pozdrawiam. Roman (Dawniej BAU) 150x50x50, sump 120 l,+zbiornik techniczny 80 l, oświetlenie-ledy Cree 108W + 2x 54W t5, Aqua Nova 6500, 1xJVP 102+jebao 40,odpieniacz stożek made in sebastek i cała reszta zalane 10.02.2011. Obecnie prawie fisch only Nigdy się nie tłumacz, przyjaciel tego nie potrzebuje a wróg nie zrozumie Udostępnij tę odpowiedź Odnośnik do odpowiedzi Udostępnij na innych stronach
Gothmog Zgłoś Napisano 29 Czerwca 2016 Ten Turboflotor będzie za mały, u mnie chodzi w 250l w obiegu i uważam że jest za słaby troche. Tapnięte mobilnie Cytuj Akwa: 375l (1500x50x50), Sump 70l (70x40x40), Cyrkulacja: Jebao CP-55, Światło: QMaven 6600 + 2x80W, Ceramika, Piasek: 20kg Udostępnij tę odpowiedź Odnośnik do odpowiedzi Udostępnij na innych stronach
Blizzard2009 Zgłoś Napisano 29 Czerwca 2016 Panie i Panowie - ja również jedno pytanie: - czy w takim projekcie jak na zdjęciu jest szansa że ta 5cm komora z watą się przytka i poziom wody w komorze odpieniacza wzrosnie do 30cm? Ta druga przegroda na razie sięga aż 30cm, ponieważ chciałem uniknąć sytuacji przelewania się wody z góry do komory z siporaxem. Przez siporax chce zeby przelewalo sie od dołu. Czy Waszym zdaniem zostawić tą przegrodę na 30cm bo nie ma szans na przytkanie się waty, czy może zrobić ją na 28 jeśli już koniecznie musi być wyższa, czy może zrobić ją na 27 jak pierwszą przegrodę, a woda bedzie i tak przelewac sie dolem do komory z siporaxem w zwiazku z tym ze trzecia przegroda ma 25cm? (od razu uprzedam że komora odpieniacza musi byc na 27cm) Cytuj POPRZEDNIE SZKŁO: tutaj OBECNE SZKŁO: tutaj * 150x55x55cm, sump120x40x43cm * * ATI Sunpower 8x54W * * odpieniacz DIY by Erni na pompie DC3000 " * start na 20kg suchej Marco Rocks + 15l Siporax * * refugium * Udostępnij tę odpowiedź Odnośnik do odpowiedzi Udostępnij na innych stronach
Kroczek Zgłoś Napisano 29 Czerwca 2016 wata zawsze może się zapchać - wszystko zależy ile i czego będzie w wodzie - nawet gąbka się zapcha a co mówić dopiero wata - no chyba że będziesz zmieniał w odpowiednim momencie - tylko pamiętaj, że najczęściej ten odpowiedni moment jest gdy zapominamy lub nas nie ma i wtedy odpieniacz może Ci przelać Cytuj OPTI 100x50x50 + sump 80x30x30, IS-200; Jebao DCT6000 na 60-80%; ATI Sunpower Dimmable 8x39W; Eheim Jager 200W; Maxspect Gyre XF 130 + Tunze; Żywy piach Nature's Ocean, LR + RRR, Sól FM/Colombo, Bakterie Bio Gro, BioPellets NP XL, Balling klasyczny na prochach FM, do tego coś tam od Knopa i KZ Udostępnij tę odpowiedź Odnośnik do odpowiedzi Udostępnij na innych stronach
Marco800 Zgłoś Napisano 29 Czerwca 2016 Koledzy i koleżanki żeby nie zapychać tego tematu stworzyłem swój osobny. Czy mogli byście spojrzeć i napisać juz w moim temacie co o tym myslicie i jakie macie doswiadczenie z sumpami do małych zbiorników. Wielkie dzieki za poświecony czas. Pozdrawiam. http://nano-reef.pl/index.php?/topic/86225-Mały-sump-ile-komór...? Cytuj Zapraszam do śledzenia mojej strony na facebooku oraz mojego bloga: - https://www.facebook.com/Myreefblog-937761722986773/ - https://myreefblog.wordpress.com/ Udostępnij tę odpowiedź Odnośnik do odpowiedzi Udostępnij na innych stronach
kb9 Zgłoś Napisano 31 Lipca 2016 proszę o ocenę i doradztwo w sprawie sumpa do akwa 130/60/60: http://nano-reef.pl/...i-do-130x60x60/ Cytuj Solniczka a w niej: obieg Jebao, cyrkulacja Maxspect, odpieniacz BK, lampa Maxspect, dolewka Levelautomatic Milestone. Udostępnij tę odpowiedź Odnośnik do odpowiedzi Udostępnij na innych stronach
Wojtek66 Zgłoś Napisano 2 Sierpnia 2016 kb9. Uwzględnij możliwość i potrzebę zastosowania filtracji mechanicznej. Zrobiłem podobnego sumpa jak twój projekt i teraz kombinuję z jakimś rozwiązaniem... Cytuj http://nano-reef.pl/...-za-nowe-450-l/ http://nano-reef.pl/...-mini-akwarium/ Udostępnij tę odpowiedź Odnośnik do odpowiedzi Udostępnij na innych stronach
kb9 Zgłoś Napisano 2 Sierpnia 2016 ...i teraz kombinuję z jakimś rozwiązaniem... co proponujesz? Cytuj Solniczka a w niej: obieg Jebao, cyrkulacja Maxspect, odpieniacz BK, lampa Maxspect, dolewka Levelautomatic Milestone. Udostępnij tę odpowiedź Odnośnik do odpowiedzi Udostępnij na innych stronach
Wojtek66 Zgłoś Napisano 3 Sierpnia 2016 ja wepnę dodatkowy zbiornik do obiegu; przełożę do niego glony a wolną komorę zagospodaruję. Ty dopiero projektujesz, więc uwzglednij coś na filtrację i wogóle zrób duży sump Konkretnie to musi Ci ktoś bardziej doświadczony poradzić. Cytuj http://nano-reef.pl/...-za-nowe-450-l/ http://nano-reef.pl/...-mini-akwarium/ Udostępnij tę odpowiedź Odnośnik do odpowiedzi Udostępnij na innych stronach
Szeryf Hornet Zgłoś Napisano 4 Sierpnia 2016 Ja też właśnie zrobiłem sobie taki sump na glony i refugim . Myśle że to dobry pomysł . Ja będę miał 4 sumpy jeden na odp drugi na dsb a trzeci na glony i czwart skala siporax oraz kraby i pompa w środku . Cytuj O dziwo to juz fakt Tym oto linkiem uczczę moje 3 gwiazdki https://www.youtube.com/watch?v=MuTLGLsAzyY Udostępnij tę odpowiedź Odnośnik do odpowiedzi Udostępnij na innych stronach
marinefreak Zgłoś Napisano 12 Września 2016 Witajcie , w końcu udało mi się skończyć stelaż z kwasówy i obudować go lakierowanym mdf. Pora na baniak i sumpa. A skoro o sumpie mowa to wypadało by poradzić się kolegów czy aby nie robię jakiegoś błędu w swoim projekcie. Zerknijcie proszę na fotkę z sumpem przeznaczonym pod 420L i napiszcie co ewentualnie byście zmienili. Piwko dla Wszystkich Cytuj Udostępnij tę odpowiedź Odnośnik do odpowiedzi Udostępnij na innych stronach
waldek123blau Zgłoś Napisano 21 Września 2016 (edytowane) Mój sump ma wymiary 250cm x 60cm x 60cm i jest umieszczony w piwnicy. Jestem w trakcie budowy nowego projektu. Zaplanowałem takie podmiany wody aby nie trzeba było by wyłączać pompy obiegowej. Albo zastosuje podmianę ciągłą! albo specjalną komorę ze słoną wodą, dlatego zrzut wody z akwarium podzielę na dwa układy trójnikiem aby zrobić by-pass. Jeden układ będzie miał by-pass skierowany do komory filtra z kulkami, drugi układ do zbiornika podmiankowego. Zbiornik podmiankowy ma być stałym elementem systemu, włączonym w obieg. Aby zrobić podmianę, odetnę zbiornik od układu (zamykając zawór i przekierowując wodę do filtra kulkowego), innym zaworem spuszczę wodę do kanalizacji a poprzez zawór pływakowy kupiony od dolnopłuka rozpocznie się nalewanie wody z filtra RO/DI, pozostanie mi tylko wsypanie soli i sprawdzenie zasolenia. Po tych zabiegach zostanie mi tylko przekierowanie wody zaworem by-passa do sumpa. Zaletą takiego systemu jest mały przepływ który będzie powodować powolne mieszanie się świeżej wody z wodą w systemie, co spowoduje łagodną, powolną zmianę parametrów. Sump będzie wyglądał tak: W sumpie będzie refugium i DSB a nad sumpem umieszczę Algae Scrubber Mam Odpieniacz Grotech HEA 200S i ustawię go za refugium ale zostanie zasilony wodą bezpośrednio ze zrzutu i dlatego nie będzie niszczył życia które powstanie w refugium. Edytowane 17 Października 2016 przez waldek123blau (wyświetl historię edycji) Cytuj Udostępnij tę odpowiedź Odnośnik do odpowiedzi Udostępnij na innych stronach
katani Zgłoś Napisano 24 Października 2016 SUMP Dwa projekty sumpów: Sump Romana Rożka Źródło: http://www.nano-reef...page.php?id=217 Sump przygotowany pod akwarium 400 litrów Opis: Wymiary zew. sumpa - 45x45x96 cm, w sumpie znajduje się około 130 lit, poszczególne komory od prawej: 1.komora spływu z komina- 7x45x34cm ,od dna 2 cm przerwy 2.komora odpieniacza - 23x45x32cm 3.komora przelewu - 3x45x30cm,od dna 10 cm,przerwa 2 cm,reszta 10 cm 4.komora refugium - 29x45x28cm 5.komora przelewu - 3x45x26cm, od dna 2 cm przerwy 6.komora przelewu - 3x45x24cm 7.komora poboru wody do pompy - 21x45x45cm, poziom wody w tej komorze stabilizuje się na poziomie 14 cm Cześć, Od jakiegoś czasu biernie obserwuję i czytam to forum i różne inne cytowane strony dotyczące akwarystyki morskiej.A że mam dość czytania to chcę też trochę popytać. Więc postanowiłem się zarejestrować. Przeczytałem wszystkie posty w tym temacie, poczytałem kilkanaście relacji z zakładania akwarium (w tym 66 stron Niki - super tutorial dla nowych, szkoda, że się telefon zepsuł i przez długi czas nie było fotek). Mam pytanie odnośnie powyższego projektu, na które nie znalazłem na razie odpowiedzi: po co ta komora nr 1? Czy jest jej jakieś ukryta funkcja? Coś się do niej wsadza? Jeśli nie, to lepiej puścić powrót bezpośrednio do komory spieniacza a zaoszczędzone miejsce przeznaczyć na refugium Cytuj Brutto: akwarium 550 + sump 260l, start 20.12.2017. Filtracja: rollermat + skała + refugium, bez odpieniacza. Sprzęt: Akwarium 120x70x65h OW, sump 119x50x45h. Pompa Jebao DCP 10000, Cyrkulacja 2x maxspect XF-350, Jebao MW-22, Oświetlenie: philips Coral Care gen 1 v2 x 3szt.. Oświetlenie refugium Chinka LED. Sól Fauna Marin Professional, dodatki AF, balling AF/CZDA. 50kg suchej skały Marco Rock's, nieco pukani. Ryby i inne biegająco-pełzające: Ctenochaetus binotatus, 6x Pseudanthias squamipinnis, Zebrasoma flavescens, Lysmata amboinensis x 3, L. debelius, 4x Lysmata Seticaudata, 1x Neopetrolisthes oshimai, 2 kraby pustelniki Clibanarius africanus, jeżowiec Mespilla globulus, setki slimaków turbo i columbelli, 1x tectus, 1x strombus luhanus... Oraz kilka kg kiełży, równonogów, wężowideł i innego drobnego życia. Udostępnij tę odpowiedź Odnośnik do odpowiedzi Udostępnij na innych stronach
Roman.P Zgłoś Napisano 24 Października 2016 Według mnie ta pierwsza jest nie potrzebna. Spływ do komory odpieniacza jest ok. Cytuj Pozdrawiam. Roman (Dawniej BAU) 150x50x50, sump 120 l,+zbiornik techniczny 80 l, oświetlenie-ledy Cree 108W + 2x 54W t5, Aqua Nova 6500, 1xJVP 102+jebao 40,odpieniacz stożek made in sebastek i cała reszta zalane 10.02.2011. Obecnie prawie fisch only Nigdy się nie tłumacz, przyjaciel tego nie potrzebuje a wróg nie zrozumie Udostępnij tę odpowiedź Odnośnik do odpowiedzi Udostępnij na innych stronach
mathom Zgłoś Napisano 3 Listopada 2016 Witam przymierzam się od jakiegoś czasu do przesiadki na 90x45x60 z kominem zewnętrznym i sumpem Proszę o pomoc w kwestii sumpa. Zrzut po lewej, na środku powrót, po prawej dolewka. Cytuj Moja rafka 247L Arduino PWM Sterownik DIY LED Udostępnij tę odpowiedź Odnośnik do odpowiedzi Udostępnij na innych stronach
Miklas Zgłoś Napisano 3 Listopada 2016 Taka szybka refleksja. Po kilku latach z morszczyzną i dwóch Sumpach. Jak najmniej przegród, można je wykonać z PMMA, nie muszą być szczelne, woda może być stale na tym samym poziomie, jedyna szczelna przegroda to ta z komorą pompy. W takim układzie zawsze jest możliwość adaptacji pod aktualne widzimisię, a koncepcje zmieniają się jak w kalejdoskopie. Druga zasada, którą ja się kieruję, sump jak największy się da, nawet kosztem dolewki i miejsca pod cały inny stuff od akwarium. Elektronikę można powiesić pod sufitem,a dolewkę zrobić bezpośrednio z wodociągu, a pojemniki z Ballingiem postawić na pokrywie sumpa. Inny stuff upchnąć po szafkach w łazience. Mam teraz taki sump i uważam, że lepszego nie mógłbym zrobić, bo przearanżowanie go to kwestia wizyty w markecie budowlanym po pleksi i klej. Pozdrawiam, Marek. Cytuj 294l + 170l sump: około 370l w obiegu; Odpieniek na pompie Tunze 9420 by DarekB30 fi 200; obieg NJ 3000; 2x Tunze 6055 + singlecontroler, 240W LED CREE DIY; 31kg LR; 18kg LS. Udostępnij tę odpowiedź Odnośnik do odpowiedzi Udostępnij na innych stronach
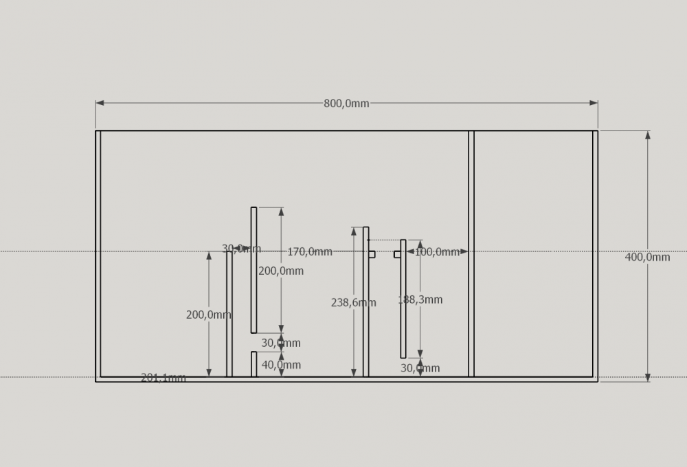
slaw Zgłoś Napisano 3 Listopada 2016 Może napisz co planujesz w komorach sumpa. Dla mnie to wygląda jak kolejna kopia sumpa Romana Rożka. Mam podobnie. Lewa strona spływ i odpieniacz, druga może refugium ale bez DSB bo za płytko, filtracja mechaniczna, powrót. Wszystko ok jeżeli pasują Ci wymiary i zmieścisz wszystko co chciałbyś tam wrzucić. Tylko jedna uwaga. Nie wiem czy tak planowałeś czy błąd na rysunku ale zauważ ze w pierwszej komorze będziesz miał taki sam poziom jak w drugiej tj. 238,6. Przegroda 200mm będzie pod woda, nie będzie na niej spiętrzenia. Druga sprawa to popieram Miklasa. Fajnie jakbyś miał możliwość dolewania wody bezpośrednio z sieci. Mógłbyś powiększyć sump o część na dolewkę. Powodzenia Cytuj 150x60x65 + SUMP, 8x54W T5, WhiteSkim 250, DCT12000, Gyre XF250 Udostępnij tę odpowiedź Odnośnik do odpowiedzi Udostępnij na innych stronach
mathom Zgłoś Napisano 23 Listopada 2016 (edytowane) Panowie, projekt trochę przemyślany, proszę o ocenę. W pierwszej komorze za odpieniaczem 5-6L siporaxu (w koszyczkach lub woreczkach), na to (lub pod) ew. absorbery. W drugiej refugium z DSB. W trzeciej dolewka (prawdopodobnie zrobię osobne szkło). Głębokość sumpa 30-35cm, wysokość 40cm. Akwa 220L, odpieniacz będzie deltec 1351. ps. niestety nie mam na razie możliwości umieszczenia fitra ro/di przy akwa - o ile z wodą bieżącą nie byłoby problemu to nie mam jak odprowadzać ścieku. Edytowane 23 Listopada 2016 przez mathom (wyświetl historię edycji) Cytuj Moja rafka 247L Arduino PWM Sterownik DIY LED Udostępnij tę odpowiedź Odnośnik do odpowiedzi Udostępnij na innych stronach
opo Zgłoś Napisano 23 Listopada 2016 ja osobiście szyby pomiędzy komora dsb a pompy podniósł bym o dwa cm ,a komorę na siporax zrobił bym zaraz za odpieniaczem ,po prostu tą szybę przesuną o długość 7cm Cytuj 400 Udostępnij tę odpowiedź Odnośnik do odpowiedzi Udostępnij na innych stronach
mathom Zgłoś Napisano 23 Listopada 2016 tak chciałem zrobić ale podobno lepiej jak siporax jest podmywany od dołu a nie od góry. Czy to prawda czy miejski mit ? co do szyb - masz na myśli wszystkie szyby +2cm ? Cytuj Moja rafka 247L Arduino PWM Sterownik DIY LED Udostępnij tę odpowiedź Odnośnik do odpowiedzi Udostępnij na innych stronach